二、前列腺癌《病理学》

二、前列腺癌

前列腺(carcinoma of prostate)多发生于60岁以上的老年人,在我国远较欧美国家少见。美国报告前列腺的死亡率占恶性肿死亡率的第二位,在我国前列腺的发生率只占恶性肿的0.3%左右。

【病因】

前列腺的病因尚不十分清楚,一般认为激素特别是雄激素可能起重要作用。长期以来各家对前列腺与前列腺增生之间的关系看法不一。目前大多数学者认为两者间无明显关系,因为前列腺很少发生于良性增生的前列腺内。在组织发生上增生与的发生部位也不相同,前列腺增生多发生于尿道周围部的前列腺组织(即前列腺内区);而前列腺几乎都开始发生于前列腺的包膜下部(即前列腺外区),该部组织对雄激素敏感,高水平的雄激素可使该部增生。据统计,阉人不发生前列腺,这些都支持雄激素和前列腺有关。但前列腺患者多为老年人,睾丸产生的雄激素已经降低,所以仍有不支持此说的根据。有人假设前列腺发展很慢,可以长期处在潜伏状态,可能在雄激素尚处于较高水平时即已发生小的灶,发展到老年才出现症状,这一假设尚有待进一步验证。

【病变】

肉眼观,前列腺初期为单个或多数的硬结节,其前列腺可以增大,也可正常大小。早期病灶几乎都发生于包膜下,其中大多数发生于后叶,其次是两侧及前叶的包膜下,而发生于中叶者极为少见。晚期肿可扩展到全部前列腺,使前列腺明显增大而质地变硬。切面灰白色夹杂以多少不等的纤维性条纹或间隔,也可呈均质性夹以不规则的黄色区域。

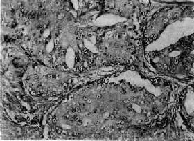
镜下,97%的前列腺均为腺,少数为移行细胞和鳞状细胞。依其分化程度可分为高分化、中分化和低分化3型。高分化前列腺最多见,细胞排列成大小不等的腺样结构,颇似前列腺增生腺体,但细胞体积较小,核较深染,上皮细胞往往呈多层排列并较不规则(图14-4),有时可呈乳头状腺或腺泡腺结构,并常可见组织向间质浸润生长;中分化腺全部或部分呈腺样结构,但腺体排列较紊乱,核异型性较明显,且有时形成筛状结构;低分化腺细胞一般较小,排列成实体团块或条索,腺腔样结构很少(图14-5)。多数病例乃由上述多种组织结构混合组成。

前列腺<a href=癌(高分化型)"/>

图14-4 前列腺(高分化型)

腺体密集,细胞体积较小,核深染,上皮细胞呈多层排列并较不规则,可见间质浸润

前列腺<a href=癌(低分化型)"/>

图14-5 前列腺(低分化型)

细胞异型明显,并呈筛状结构

【转移及扩展】

前列腺的蔓延和转移与细胞分化程度有一定关系。高分化腺蔓延和转移较晚,可长期局限于前列腺内,预后较好。分化较差的腺可直接侵犯周围器官,如膀胱底、精囊腺、尿道等,但很少直接侵入直肠,因组织不易穿透直肠膀胱筋膜。前列腺的淋巴结转移比较常见,最常侵犯的淋巴结有髂内、髂外、腹主动脉旁、腹股沟等淋巴结,也可侵入胸导管、锁骨下淋巴结等处。血行转移可转移至骨、肺、肝等处,特别是腰椎、骨盆及肋骨的转移较常见。骨转移的途径有认为是经肺循环后再散布到全身的骨及肝组织,也有认为可经脊椎静脉丛直接转移至腰椎。

前列腺可分泌酸性磷酸酶,临床上常以此作为前列腺的一个检测指标。

上一页:一、前列腺增生症
当前页:二、前列腺癌
下一页:第四节 阴茎癌

返回目录